Terbaru 95+ Skema Tv Polytron Ps52uv03
Poin pembahasan Terbaru 95+ Skema Tv Polytron Ps52uv03 adalah :
Terbaru 95+ Skema Tv Polytron Ps52uv03. Dalam dunia skema tv mungkin Anda pernah mendengar dengan yang namanya kumpulan skema tv. Komponen dasar skema tv beserta fungsi dan simbolnya yang harus kamu ketahui, Simak ulasan terkait skema tv dengan artikel Terbaru 95+ Skema Tv Polytron Ps52uv03 berikut ini

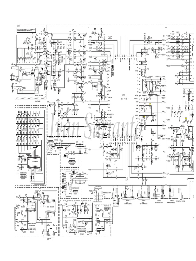
Skema Tv Polytron U slim Ps52uv03 Skema Free Gratis All Skematik Sumber : skemafree.blogspot.com

12 Skema Mesin Tv Cina 21 Sumber : mesinpompaairr.blogspot.com

Skema Power Supply Tv Led Polytron 32 Skema Free Gratis All Skematik Sumber : skemafree.blogspot.com
skema tv polytron u slim ps 52uv81, skema regulator tv polytron u-slim 21, skema tv polytron ps52uv232, skema tv polytron ps 30uv25ra, skema rangkaian tv polytron u slim 21 inch, skema regulator tv polytron fs7um, skema tv polytron pc52uv222, download skema tv polytron pdf,

Skema Tv Polytron U slim Ps52uv03 Skema Free Gratis All Skematik Sumber : skemafree.blogspot.com

SCHEMATIC TV POLYTRON firmware tv and schematic Sumber : firmwaretvandschematic.blogspot.com

Jual MESIN TV TABUNG CRT POLYTRON 21 INCH U SLIM PS52UV03 PS 52UV03 HBT Sumber : www.bukalapak.com

Gambar Mesin Tv Polytron Slim Terbaru Sumber : gambare.wanitabaik.com

POLYTRON BT5 U slim PS52UV232G PS52UM70 HBEE 010A HBT 01 05 HBT 05 001 Sumber : www.scribd.com

MANDIRI SERVICE ELEKTRONIK TV POLYTRON 21 inchi PS52UV03 RUSAK STANDBY Sumber : servicepolytron.blogspot.com

Skema Tv Led Polytron 32 Inch Skema Free Gratis All Skematik Sumber : skemafree.blogspot.com

SERVICE ELEKTRONIK POLYTRON U SLIM PS52UV03 GAMBAR GARIS VERTIKAL Sumber : iyutservice.blogspot.com

Skema Tv Polytron U slim Ps52uv03 Skema Free Gratis All Skematik Sumber : skemafree.blogspot.com

ARWIS BLOG Skema Regulator TV POLYTRON Sumber : awipunna.blogspot.com

Skema Regulator Tv Polytron 123 Skema Free Gratis All Skematik Sumber : skemafree.blogspot.com

Skema Tv Polytron Slim Skema Free Gratis All Skematik Sumber : skemafree.blogspot.com
skema tv polytron u slim ps 52uv81, skema regulator tv polytron u-slim 21, skema tv polytron ps52uv232, skema tv polytron ps 30uv25ra, skema rangkaian tv polytron u slim 21 inch, skema regulator tv polytron fs7um, skema tv polytron pc52uv222, download skema tv polytron pdf,
Terbaru 95+ Skema Tv Polytron Ps52uv03. Dalam dunia skema tv mungkin Anda pernah mendengar dengan yang namanya kumpulan skema tv. Komponen dasar skema tv beserta fungsi dan simbolnya yang harus kamu ketahui, Simak ulasan terkait skema tv dengan artikel Terbaru 95+ Skema Tv Polytron Ps52uv03 berikut ini

Skema Tv Polytron U slim Ps52uv03 Skema Free Gratis All Skematik Sumber : skemafree.blogspot.com

12 Skema Mesin Tv Cina 21 Sumber : mesinpompaairr.blogspot.com

Skema Power Supply Tv Led Polytron 32 Skema Free Gratis All Skematik Sumber : skemafree.blogspot.com
skema tv polytron u slim ps 52uv81, skema regulator tv polytron u-slim 21, skema tv polytron ps52uv232, skema tv polytron ps 30uv25ra, skema rangkaian tv polytron u slim 21 inch, skema regulator tv polytron fs7um, skema tv polytron pc52uv222, download skema tv polytron pdf,

Skema Tv Polytron U slim Ps52uv03 Skema Free Gratis All Skematik Sumber : skemafree.blogspot.com

SCHEMATIC TV POLYTRON firmware tv and schematic Sumber : firmwaretvandschematic.blogspot.com

Jual MESIN TV TABUNG CRT POLYTRON 21 INCH U SLIM PS52UV03 PS 52UV03 HBT Sumber : www.bukalapak.com

Gambar Mesin Tv Polytron Slim Terbaru Sumber : gambare.wanitabaik.com
POLYTRON BT5 U slim PS52UV232G PS52UM70 HBEE 010A HBT 01 05 HBT 05 001 Sumber : www.scribd.com

MANDIRI SERVICE ELEKTRONIK TV POLYTRON 21 inchi PS52UV03 RUSAK STANDBY Sumber : servicepolytron.blogspot.com
Skema Tv Led Polytron 32 Inch Skema Free Gratis All Skematik Sumber : skemafree.blogspot.com

SERVICE ELEKTRONIK POLYTRON U SLIM PS52UV03 GAMBAR GARIS VERTIKAL Sumber : iyutservice.blogspot.com

Skema Tv Polytron U slim Ps52uv03 Skema Free Gratis All Skematik Sumber : skemafree.blogspot.com

ARWIS BLOG Skema Regulator TV POLYTRON Sumber : awipunna.blogspot.com
Skema Regulator Tv Polytron 123 Skema Free Gratis All Skematik Sumber : skemafree.blogspot.com

Skema Tv Polytron Slim Skema Free Gratis All Skematik Sumber : skemafree.blogspot.com
Samsung TV 32 Skema TV China Rangkaian Sederhana Skema Rangkaian Elektronika TV Polytron Skema Audio Skema Amplifier Switching Power Supply Schematic Power Supply Schematic Diagram Samsung TV Schematic Diagrams Sharp TV Circuit Diagram Skema Business School Skema Inverter Rangkaian PWM Samsung LCD TV Schematic Diagram Rangkaian Adaptor Samsung TV Schematic Circuit Diagram Antena Pemancar Rangkaian Lampu Flip Flop LCD TV Wiring Diagram Samsung TV Power Supply Circuit Diagram Skema TV China 8873 Gambar Pemancar Rangkaian UPS Skema Audio Mobil DIY Audio Amplifier Schematics RGB Amplifier Schematic Skema Kopling Daya Rangkaian Alarm Motor Skema Business School Lille Skema Audio Tone Control 10W Audio Amplifier Circuit Jalur Skema Audio Mobil FM Transmitter Schematic Rangkaian Sensor Skema Detector Emas Skema PLTMH Sederhana Skema Voltmeter Samsung LED TV Schematics Diagram Skema Jalur Preamp Mic TV Berwarna Diagram Skema Warna Analog
0 Comments